鍵屋別館の5階にあるひらつー事務所、

奥がひらつー事務所。
手前部分はこんな感じでガラーン。
この持て余した空間をなんとか有効に使えないか…?
ということで…
![]()

ドドーン!
間仕切りができてそれぞれ個室のシェアオフィスができあがりました!
さて、シェアオフィスが完成する前、

「う〜ん、どうしょ…」
どんな感じのシェアオフィスにすればいいか悩んでいるのはおさや@ひらつー、タクワン@ひらつー、あゆみん@ひらつーの3人。

3人はひらつー事務所の下の4階にあるコワーキングスペース『ひらば』の担当をしています。
『ひらば』は、普段はコワーキングスペースですが、

親子で参加できる泥だんご作り体験のイベントや、

テントを貼って一夜を明かすナイトキャンプなどのイベントを開催して、その空間を色々と有効活用しています。
でも、5階の空間を持て余していました…。
イイ感じのシェアオフィスにしたいけど、どんな風にしたらいいのかわからない…。
助けて!ドラ◯も〜ん!!![]()
じゃなくて(笑)
助けを求めたのは、

「green建築工房」の松村さん!

松村さんはアウトドアスポーツが大好きでこれまでにも虫取り、トレイルラン、スケートボードを披露してくれました。

green建築工房は鍵屋別館3階に事務所を構える工務店。
これまでにも様々なリフォームやリノベーションを手がけており、

ひらつー事務所&ひらばの床の杉板貼りもgreen建築工房主導のもとでおこないました。
他にも、

お店の内装をお願いしたらDIYすることに!?超アウトドア派な工務店が手掛けたコーヒー香るお店とは?【ひらつー不動産】
奈良県産の杉の一枚板を使用したカウンターが特徴的なコーヒー豆のお店だったり、

こんな家に住みたかった!をカタチにするgreen建築工房の「思わずごろ寝しちゃう」無垢材を使ったリフォームとは?【ひらつー不動産】
無垢材を使用した洗面所だったり。
時には、
築50年のお家の和室が…
車椅子で快適に過ごせる天然木の家!築50年のリフォームを手掛けた社長はスケボーで登場【ひらつー広告】
杉板の香るこんなに明るい整体治療室にリフォームされたりも!
築50年だとは思えない変わりようですね!
さらに事務所のある鍵屋別館の2階にある各テナントさんのポストをオシャレにリメイクしたのも松村さん!

元々は銀色の無機質な普通のポストでしたが、鍵屋別館の建物の雰囲気に合うように塗り直してくれました。

茶色く塗装するだけでなく、その上からいろんな色のペンキでペイントされています。
リノベーションされた鍵屋別館の雰囲気とも合っていてオシャレですね!
このようにgreen建築工房では、
店舗から個人宅、オフィスまで幅広いリフォーム・リノベーションを手がけています。
ー かくかくしかじかで5階のスペースをシェアオフィスにしようと思ってまして…。
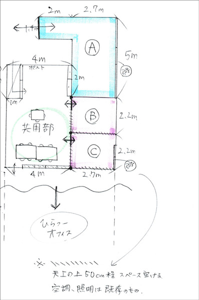
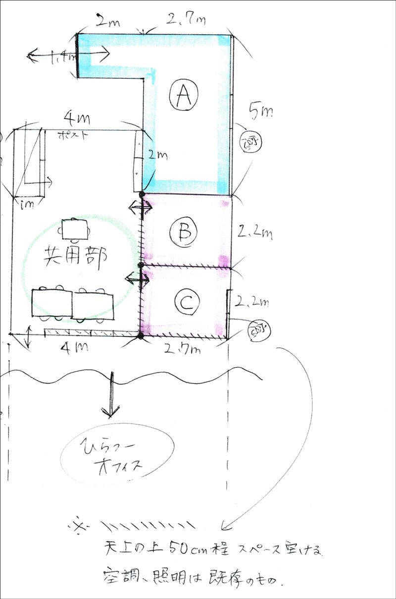
一応図面を用意したんですけど見てもらえますか??
松村さん :いいですよ、どれですか?
ー これなんですけど…
ー 手書きでわかりにくくてスミマセン…![]()
松村さん :いやいや、十分わかりやすいですよ!
3つの個室と共有スペースを新たに作る感じですね。
ー 間仕切りで個室を作って、BとCの個室の頭上は隙間を作って、既存の空調がそのまま使えるようにしてほしいです。
松村さん :間仕切りの壁はどんな感じにしますか?
ー あ、特にコダワリはなくて普通の壁でお願いしようかと。
松村さん :なるほど。よかったら「木の壁」なんてどうですか?
ー 「木の壁」ですか??

DIYチャレンジ企画第3弾!めっちゃ簡単なのに部屋の雰囲気がまるっきり生まれ変わる木のタイル貼りの様子【ひらば】
↑ 床に敷かれた杉の板。
松村さん :はい、床材にせっかく杉の板を貼っているから、壁にも同じ杉の板を使ったらすごくイイ雰囲気の空間になると思いますよ。
ー たしかに壁も床も杉の板だったらイイ感じになりそうですね!
そしたらそれでお願いします!
松村さん :お値段は普通の壁に比べたら高くなりますけど、その分個室内の壁塗りをDIYしたらどうですか?
ー DIYですか!それなら経験アリなんでそうします!

DIYチャレンジ企画第1弾!ひらばの壁を「しっくのん」で塗ってみたレポート【ひらば】
ひらつー事務所とひらばの壁は自分たちでしっくいを塗ってDIYしました!
松村さん :ちなみに個室のドアを10種類ある中から選んでもらえるんですけどどれにしますか?
ー おぉ!こんなに種類があるんですね!
じゃあせっかく杉の壁にしたので薄い色合いのソフトオークでお願いします。
松村さん :この色合いであればソフトオークよりもメープル柄はどうですか?
松村さん :メープル柄の方が木目がキレイに出ているんで合うと思いますよ。
ー そう言われると確かに…!
木目がキレイな方が嬉しいのでそしたらメープル柄でお願いします!
今回お願いした内容はコチラ ![]()
・共有スペース側の壁は杉の板を貼る
・BとCの個室の頭上は既存の空調が効くように隙間を開ける
・ドアの柄は木目がキレイなメープル柄
ということでgreen建築工房にお願いしてさっそく施工開始!

資材が運び込まれて工事が進んでいきます。
続いて壁塗りのDIY!

壁には調湿効果のあるしっくいを塗っていきます。
ではいよいよ完成したシェアオフィスを見ていきましょー!!
完成したシェアフィスがコチラ!

ジャジャーーン!
杉の壁が映えるオシャレなシェアオフィスが完成!

3つの個室のシェアフィスとほどよい広さの共有スペースとに生まれ変わりました!

まずは共有スペース。
杉の壁のおかげで温かみのある雰囲気に仕上がっていますね。
続いてシェアオフィス。
すでに3つのお部屋すべて入居者が決まっています!

Cのお部屋は婚活カウンセラーの川上さん。
真っ白な壁がキレイな明るいお部屋です。

Bのお部屋はWEBサイトやWEBアプリの開発をされている中村さん。
コチラのお部屋はあえて壁を塗らずにそのままにしています。

そしてAのお部屋はWEBデザイナーの岡田さん。
大きな窓のあるコチラのお部屋は広々としてとても明るい印象。
出入り口が2つあるのも特徴です。

ひらつーオフィス側から見るとこんな感じ。
シェアオフィスとの間に壁ができたのでプライバシーの心配もありません!

壁が木になったことにより温かみのある色合いになった共有スペース。
しかーし!
なんと色合いだけでなく実際に温かいのだそうです!

松村さん :杉は他の木材と比べて空気の層を多く含んでいます。
木の内部にスキマが多いということです。
空気を多く含んでいる分、柔らかくてキズは付きやすいですが、触れたときに温かみを感じるというわけですよ。
松村さん :そして壁や床はすべて無塗装の無垢材なので、時間がたつほどに日に焼けて色合いも変わっていきます。
杉は最初は少し赤みのある木肌ですがだんだんと味のある色に変わっていきます。
ピカピカに塗装されたものよりも、年月とともに表情を変えるエイジングを楽しむことができるのも無垢材のイイところですね。
「あっ、このキズはあの時の…」っていう感じで思い出も蓄積していってほしいです。
松村さん :もちろん普通の壁に比べてお値段は高くなりますが、『1日仕事をして過ごす場所』として考えたら本当に居心地のイイ空間になっていると思います。
国産で無垢の杉板の壁が温かみのある雰囲気と香りでリラックスさせてくれますよ。
ー たしかに、長い時間を過ごす仕事場ならリラックスして落ち着いて仕事ができる空間がいいですよね!
松村さん :今日はせっかく天気がイイから淀川の河川敷に行きませんか?
ー えっ?また虫取りですか?
松村さん :違います。笑
行ってみたらわかるから!じゃあ先に行ってますよ!
ー えっ、あ!ちょっと松村さん!!
ということで淀川の河川敷に行ってみると…

なんとこの日は「淀川 寛平マラソン2018」の日!
参加者さんの中にはただ走るだけでなく仮装して走っている人たちも多くいました。

ー うわー!スゴイ!キャプテン・ファズマや!
(※映画スターウォーズに出てくるキャラクター)
キャプテン・ファズマ :いや〜お待たせお待たせ!
ー えっ?ま、まさか…!!
ー !!ま…松村さん!?!?
松村さん :今日は家族と友人と一緒にマラソンを走ることになってるんです。
ー いや、そんなことよりその格好はどうしたんですか??
松村さん :ああ、この格好?ぼくスターウォーズが大好きだからこの仮装にしたんですよ。
特にエピソード7が好きで、主人公のレイが…◯△※#&%$…
ー あっ
じゃあみなさんで仮装されて走るんですね!
松村さんのご友人 :ほら、行くでダースベイダー!
ー し、しかも間違えられてる…!(笑)
(※ダース・ベイダーはスターウォーズに出てくる別のキャラ)
ー 松村さん、けっこう暑そうですが大丈夫ですか…?
松村さん :いや、暑いですね…!息苦しい…!!
でもやっぱりこういう『遊びゴコロ』は大切にしたいので。
なんとか頑張ってファミリーの部3kmを完走してきます!

スターート!
の合図とともに大勢の参加者さんと一緒に走り出しました。
このあと無事にキャプテン・ファズマは完走を果たしたそうです!
どんな時も子供のような気持ちで『遊びゴコロ』を忘れない松村さん。
green建築工房にご相談に行った際はスターウォーズの話をしたら盛り上がると思いますよ!(笑)

いかがでしたかー?
その人のライフスタイルに合わせて、より快適に過ごせるリフォームを提案してくれるgreen建築工房。
お家のお困りごとがあったら、お気軽に松村さんに相談してみてくださいねー!

green建築工房の施工事例はこれまでにひらつーでもご紹介しているので、そちらもぜひご覧くださいねー!
リフォームのご相談、ご依頼はお気軽にお問い合わせください!



















